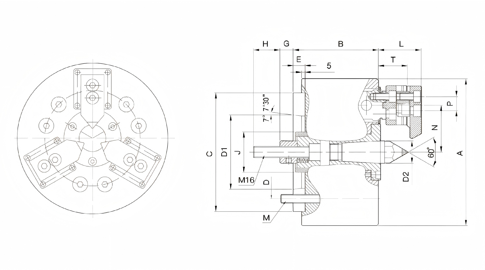
浮动卡盘

产品优势

 

顶尖定心

中心顶尖为产品加工唯一基准
浮动夹持

卡爪对工件后拉和补偿式夹紧,确保定位基准唯一

大补偿量

中心补偿量最大可达5mm

法兰安装

常规法兰止口安装,可与普通卡盘互换

高精度

定位精度可达0.005mm(订购时需备注)

定制配件

中心顶尖可定制镶嵌硬质合金款

 

 

典型产品案例